Fontanería
Fontanería

Válvulas Arco evoluciona ofreciendo fitting roscado en latón, un material muy empleado en el trabajo diario del instalador, este accesorio es indispensable para la ejecución de cualquier instalación.
Son muy versátiles, por estar fabricados únicamente en latón. Se emplean en instalaciones de fontanería, climatización, abastecimiento de aguas, hidrocarburos y aire comprimido.
¿Qué vamos a ver en este post?
Las roscas son el modo de unión más común ya que pueden emplearse en sistemas de tuberías, como transición a redes en materiales. Con estos accesorios podemos unir cualquier pieza de fontanería a cualquier sistema de tuberías (red de tubería de polietileno, multicapa, cobre…).
Siempre una rosca macho rosca contra una rosca hembra, el diseño de la rosca impide que se den desplazamientos entre las dos piezas y además generan estanqueidad mediante material de aportación o mediante una junta entre plano y plano de cada una de las piezas.
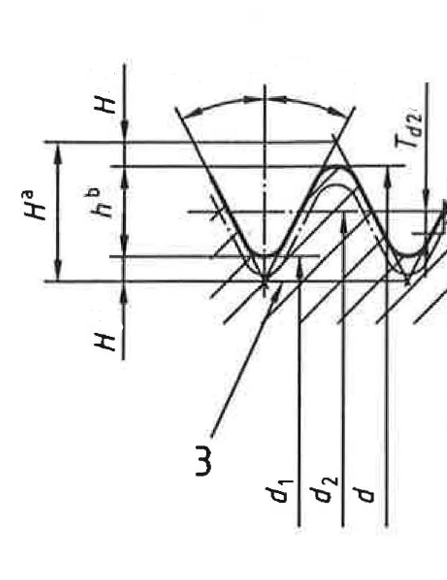
Son una medida unión mecánica normalizada, la geometría de la pieza en Europa la define la norma ISO 228 (también conocida como Rosca Gas Whitworth B.S.P Din 259).

Ejemplo de definición de una rosca normalizada
Para entender la importancia de la normalización de las roscas ponemos el siguiente ejemplo. En América la rosca normalizada es la rosca NPT, por lo que un accesorio macho ½” para América (en NPT) no roscaría con las válvulas de ½” hembra-hembra que fabricamos para Europa (en rosca ISO228). Por tanto, como los distintos tipos de rosca no son intercambiables es necesario emplear la rosca normalizada para el país en el que nos encontramos.
La normalización permite realizar uniones entre distintos fabricantes y facilita la realización de las uniones que de otra manera sería totalmente inviable.
Las medidas de la rosca se expresan en pulgadas o fracciones de pulgadas marcadas sobre el cuerpo de la válvula, tradicionalmente los proyectistas trabajan con Diámetros Nominales DN en milímetros. La relación entre las pulgadas empleadas en valvulería y los diámetros nominales es la siguiente:
| PULGADAS | DIÁMETRO NOMINAL DN en mm |
| 3/8 | 10 |
| 1/2 | 15 |
| 3/4 | 20 |
| 1 | 25 |
| 1 1/14 | 32 |
| 1 1/2 | 40 |
| 2 | 50 |
| 2 1/2 | 60 |
Todos los accesorios de roscar se fabrican en latón, pero la composición del latón varía en función de la pieza a fabricar. Por ejemplo, las piezas que se obtienen directamente del torno se busca una composición que facilite su mecanizado, por lo que nos vamos a encontrar con tres tipos de latones en función de como se fabrique el accesorio:
-Te puede interesar: Cómo instalar fitting de latón para polietileno-
Se recomienda el uso de llaves fijas para realizar la unión dado que las llaves tipo de boca ajustable pueden deteriorar la superficie de la pieza.
Si la estanqueidad se realiza con material de aportación en la rosca se pueden emplear los siguientes materiales (poniendo la cantidad adecuada):
Si la estanqueidad se realiza con junta, la superficie plana donde asienta la junta debe de ser lo suficientemente ancha para que no se salga la junta.
Verificar que el conexionado este exento de esfuerzos mecánicos e instalar en caso necesario medidas paliativas frente a vibraciones. Comprobar la libre dilatación de la tubería especialmente cuando van a trasegarse fluidos calientes, se pueden instalar liras brazos o dilatadores.
Se recomienda probar la estanqueidad de la unión a 1,5 veces la presión de utilización antes de su puesta en marcha.